9-utas elosztó termosztatikus szelepekkel, áramlásmérővel és INOX szerelvényekkel
9-utas elosztó termosztatikus szelepekkel, áramlásmérővel és INOX szerelvényekkel
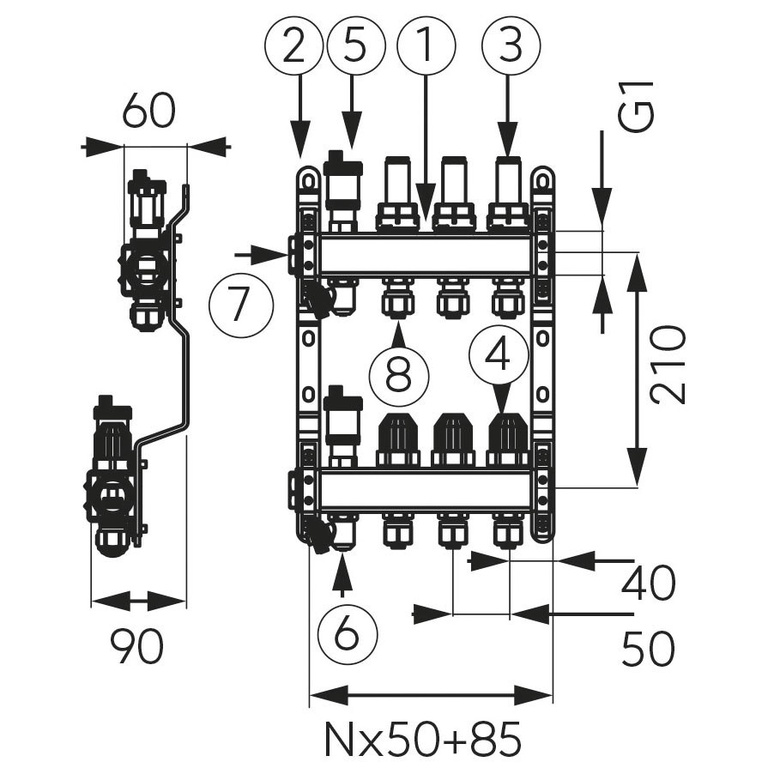
- 9-utas elosztó termosztatikus szelepekkel, áramlásmérőkkel, szellőző- és leeresztőszelepekkel és INOX-szerelvényekkel. Rendelkezik 2-12 utas rúddal, acél fogantyúkkal, áramlásszabályozással, termoelektromos fej csatlakoztatási lehetőséggel.
Produkty subskrypcyjne w twoim koszyku
Ustaw jedną częstotliwość dostaw dla wszystkich produktów subskrypcyjnych z twojego koszyka co:
Produkty subskrypcyjne w twoim koszyku
Termék lekérdezése
Írja meg véleményét



