Pompă de circulație Wilo-STAR-Z 20/1
Produkty subskrypcyjne w twoim koszyku
Ustaw jedną częstotliwość dostaw dla wszystkich produktów subskrypcyjnych z twojego koszyka co:
Produkty subskrypcyjne w twoim koszyku
Marcă
Entitatea responsabilă pentru acest produs în UE
WILO-POLSKA SP.Z O.O.Mai mult
Adresa:
JEDNOŚCI 5Cod poștal: 05-506Orașul: LESZNOWOLAȚara: PoloniaAdresa de e-mail: wilo.pl@wilo.com
Simbol
Star-Z 20/1
Cod producător
4016322364214
Seria
Garanție
Indicele producătorului
4028111
Pompa de circulație Wilo-STAR-Z 20/1 (nr. 4028111) este un dispozitiv foarte eficient și fiabil, ideal pentru sistemele de încălzire și instalațiile de apă. Datorită fabricării sale precise cu materiale de calitate superioară, pompa se caracterizează prin rezistență la coroziune și la deteriorări mecanice, ceea ce duce la o durată lungă de viață și la funcționarea stabilă a întregului sistem
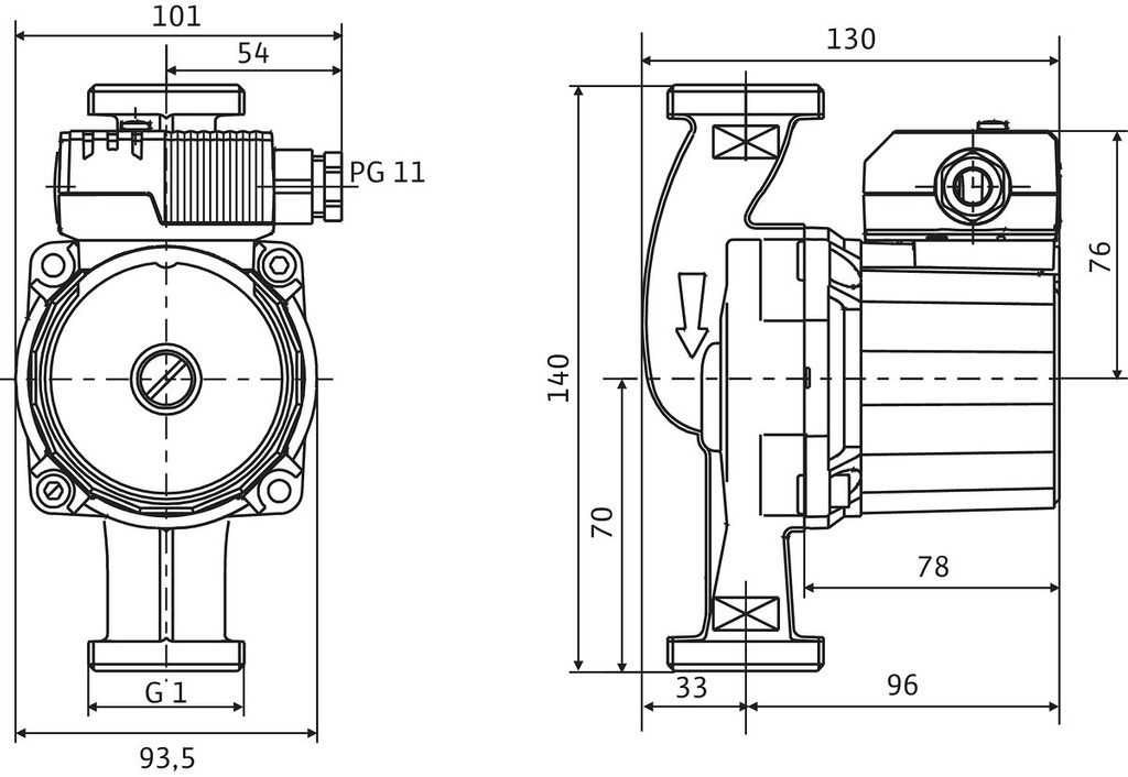
Unitatea are o lungime încorporată de 130 mm, ceea ce permite o instalare ușoară și rapidă oriunde. Consumul redus de energie al motorului (0,03 kW) garantează economii de energie, în timp ce funcționarea silențioasă și nivelul redus de vibrații contribuie la confort
Wilo-STAR-Z 20/1 este echipat cu un sistem avansat de autoevacuare și o funcție de închidere automată în cazul în care nu curge apă, ceea ce asigură funcționarea stabilă a sistemului și minimizează riscul de defecțiune. Diametrul de conectare normativ de 1 inch (25 mm) pe partea de alimentare permite conectarea ușoară la un sistem hidraulic existent
Dacă sunteți în căutarea unei soluții profesionale pentru instalația dumneavoastră, circulatorul Wilo-STAR-Z 20/1 va fi o alegere excelentă, oferind funcționare fiabilă și eficiență ridicată pentru anii următori
Date tehnice
- Certificare KIWA: da
- Frecvență: 50 Hz
- Frecvență: 60 Hz: nu
- Lungime de instalare: 130 mm 130 mm
- Grad de material: Bronz (bronz) Bronz (Rg 5)
- Clasa de presiune a flanșei: PN 10
- Clasa de presiune a dispozitivului: PN 10
- Clasa de izolație IEC: F
- Număr de faze: 1 1
- Presiunea maximă de funcționare: 10 bar
- Temperatura maximă a mediului (continuă): 65 °C
- Capacitate maximă (debit max.): 1.6 m³/h
- Înălțime maximă: 0,96 m
- Material carcasă: Bronz
- Materialul carcasei pompei: Bronz
- Materialul rotorului: Plastic
- Temperatura minimă a mediului (continuă): 2 °C
- Puterea motorului: 0,038 W
- Tensiune de comutare: 1 x 230 V
- Debit nominal: 1.7 m³/h
- Consumul de energie al pompei (solpump): 30 W
- Consumul de putere al motorului (P1): 0.03 kW
- Conexiune electrică: Terminale
- Pompă dublă: nu
- Curent nominal: 0,14 A
- Viteză: 1700 1/min
- Debit nominal (BEP): 1.029 m³/h
- Controlul vitezei motorului: Niciunul
- Tip conexiune: Filet cilindric extern pentru gaz (BSPP)
- Dimensiunea conexiunii corpului pompei: 1 1/4 inch
- Autoamorsare: Nu
- Grad de protecție (IP): IP44
- Lățime 1: 0 mm
- Lățime 2: 0 mm
- Temperatura medie (funcționare continuă): 2 ... 65 °C
- Diametru nominal: 1 1/4 inch (32 mm)
- Diametrul normativ al conexiunii pe partea de alimentare: 1 1/4 inch (32 mm)
- Diametrul exterior al racordului de pe partea de ieșire: 25 mm
- Temperatura ambiantă: 0 ... 40 °C
- Înălțime la debitul nominal: 7.5 kPa
- Limita de înălțime la debitul nominal (BEP): 5.75 kPa
- Înălțimea pompei: 0 mm
- Domeniul de tensiune nominală: 230 ... 230 V
Întrebați despre produs
Scrieți o opinie





