Distribuitor cu 5 căi cu supape termostatice, debitmetru, fitinguri, oțel INOX
Distribuitor cu 5 căi cu supape termostatice, debitmetru, fitinguri, oțel INOX
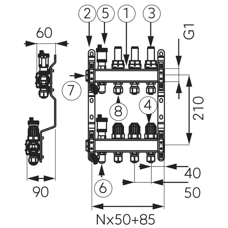
- Colector cu 5 căi cu supape termostatice, debitmetre și fitinguri, fabricat din oțel INOX. Modelul SN-RZP 1" include o bară cu 2-12 căi, suporți din oțel, debitmetre, supape termostatice, supape de aerisire, supape de scurgere și cor
Produkty subskrypcyjne w twoim koszyku
Ustaw jedną częstotliwość dostaw dla wszystkich produktów subskrypcyjnych z twojego koszyka co:
Produkty subskrypcyjne w twoim koszyku
Întrebați despre produs
Scrieți o opinie



