Rozdzielacz 10-drogowy z zaworami termostatycznymi i przepływomierzami, stal INOX
Rozdzielacz 10-drogowy z zaworami termostatycznymi i przepływomierzami, stal INOX
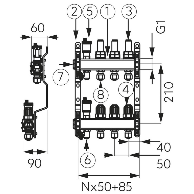
- Rozdzielacz 10-drogowy z zaworami termostatycznymi i przepływomierzami wykonany ze stali INOX, wyposażony w belkę 2-12 drogową, uchwyty stalowe, przepływomierze, zawory termostatyczne, zawory odpowietrzające, zawory spustowe, korki mosiężne oraz nyple ze
Produkty subskrypcyjne w twoim koszyku
Ustaw jedną częstotliwość dostaw dla wszystkich produktów subskrypcyjnych z twojego koszyka co:
Produkty subskrypcyjne w twoim koszyku
Zapytaj o produkt
Napisz swoją opinię



