Rozdzielacz 5-drogowy z zaworami termostatycznymi, przepływomierzami, złączkami, stal INOX
Rozdzielacz 5-drogowy z zaworami termostatycznymi, przepływomierzami, złączkami, stal INOX
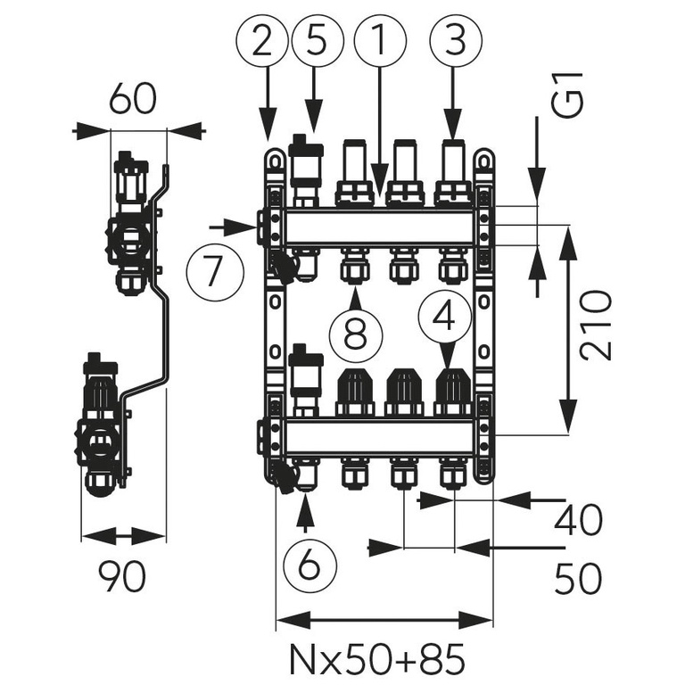
- Rozdzielacz 5-drogowy z zaworami termostatycznymi, przepływomierzami i złączkami, wykonany ze stali INOX. Model SN-RZP 1” zawiera belkę 2-12 drogową, uchwyty stalowe, przepływomierze, zawory termostatyczne, zawory odpowietrzające, zawory spustowe oraz kor
Produkty subskrypcyjne w twoim koszyku
Ustaw jedną częstotliwość dostaw dla wszystkich produktów subskrypcyjnych z twojego koszyka co:
Produkty subskrypcyjne w twoim koszyku
Zapytaj o produkt
Napisz swoją opinię



