Rozdzielacz 8-drogowy z zaworami termostatycznymi, przepływomierzami, złączkami INOX
Rozdzielacz 8-drogowy z zaworami termostatycznymi, przepływomierzami, złączkami INOX
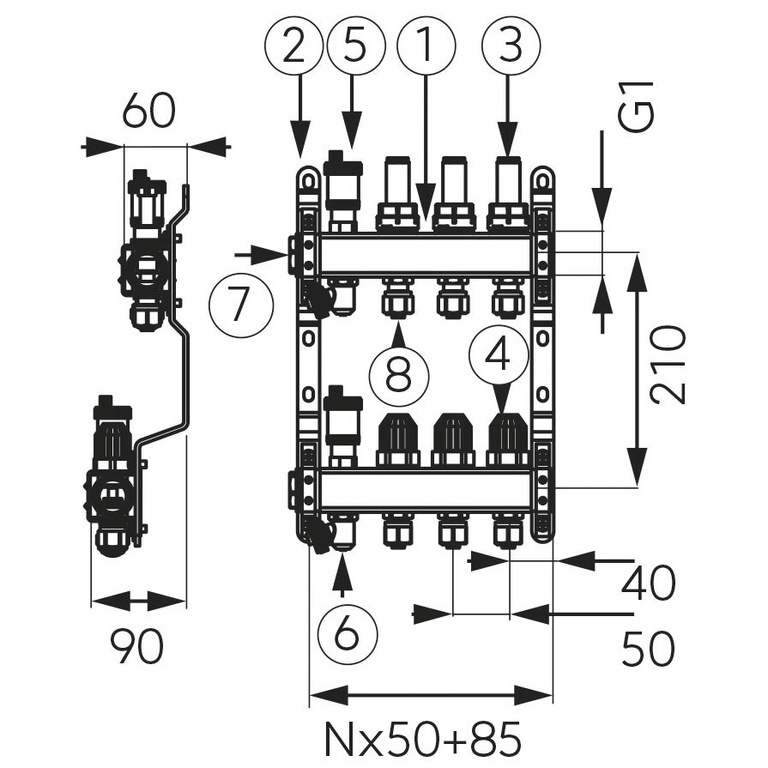
- Rozdzielacz 8-drogowy SN-RZP 1” z zaworami termostatycznymi, przepływomierzami i złączkami INOX. Posiada 2-12 drogowe belki, uchwyty stalowe, zawory odpowietrzające, obrotowe zawory spustowe i nyple do rur wielowarstwowych.
Produkty subskrypcyjne w twoim koszyku
Ustaw jedną częstotliwość dostaw dla wszystkich produktów subskrypcyjnych z twojego koszyka co:
Produkty subskrypcyjne w twoim koszyku
Zapytaj o produkt
Napisz swoją opinię



