Elektromechaniczny czujnik niskiego poziomu wody WMS-WP6 z blokadą
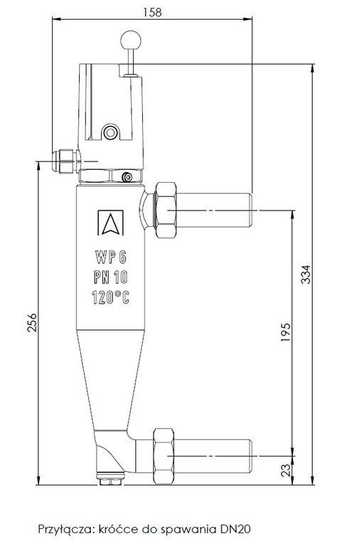
- Elektromechaniczny czujnik niskiego poziomu wody WMS-WP6 z blokadą i ręcznym resetem. Korpus z mosiądzu, przyłącze króćce do spawania DN 20. Maksymalne ciśnienie: 10 bar, temperatura: 120°C.
Produkty subskrypcyjne w twoim koszyku
Ustaw jedną częstotliwość dostaw dla wszystkich produktów subskrypcyjnych z twojego koszyka co:
Produkty subskrypcyjne w twoim koszyku
Marka
Symbol
42 300
Kod producenta
4016203423009
Seria
Gwarancja
Indeks Producenta
42300
Elektromechaniczny czujnik niskiego poziomu wody WMS-WP6 – z blokadą
Czujnik WMS-WP6 to zabezpieczenie instalacji grzewczej przed przegrzaniem spowodowanym zbyt niskim poziomem wody. Urządzenie jest montowane na pionowym przewodzie zasilającym i automatycznie wyłącza źródło ciepła w przypadku braku wody. Posiada funkcję blokady, którą można ręcznie zresetować po ustabilizowaniu poziomu wody.
Zastosowanie
- Instalacje grzewcze zamknięte, jako ochrona kotła przed pracą suchą
- Systemy, gdzie konieczne jest zabezpieczenie przed uszkodzeniem urządzenia z powodu wycieku lub niedoboru wody
- Instalacje z pompami, gdzie spadek ciśnienia mógłby spowodować przerwanie obiegu wody
Dane techniczne
| Przyłącza | Króćce do wspawania DN 20 |
| Ciśnienie maksymalne | 10 bar |
| Temperatura medium | 120 °C |
| Medium dopuszczalne | Woda, mieszanina woda + glikol (do 50 %) |
| Materiał korpusu | Mosiądz |
Zalety i cechy szczególne
- Automatyczne wyłączenie źródła ciepła przy wykryciu zbyt niskiego poziomu wody
- Blokada, która uniemożliwia ponowne uruchomienie kotła bez resetu
- Plomba umożliwiająca symulację stanu alarmowego (ręczne przesunięcie pływaka)
- Kompaktowa konstrukcja i trwałe materiały
Wskazówki montażowe i eksploatacyjne
- Zainstaluj czujnik pionowo na przewodzie zasilającym kotła
- Zadbaj o dostępność do przycisku resetu dla serwisu
- Przed uruchomieniem instalacji sprawdź szczelność i obecność wody w układzie
- Stosuj się do dopuszczalnych parametrów pracy, by zapewnić długą żywotność urządzenia
Zapytaj o produkt
Napisz swoją opinię












